24S605《游泳池给水排水设计及附件安装》
24S605《游泳池给水排水设计及附件安装》,替代10S605,2024年07月01日发布,2024年07月01日实施,中国计划出版社出版。
一、适用范围
本图集适用于游泳池及类似水环境水池的池水循环净化处理系统的设计、施工和主要设备选用及附件安装。
二、主要内容
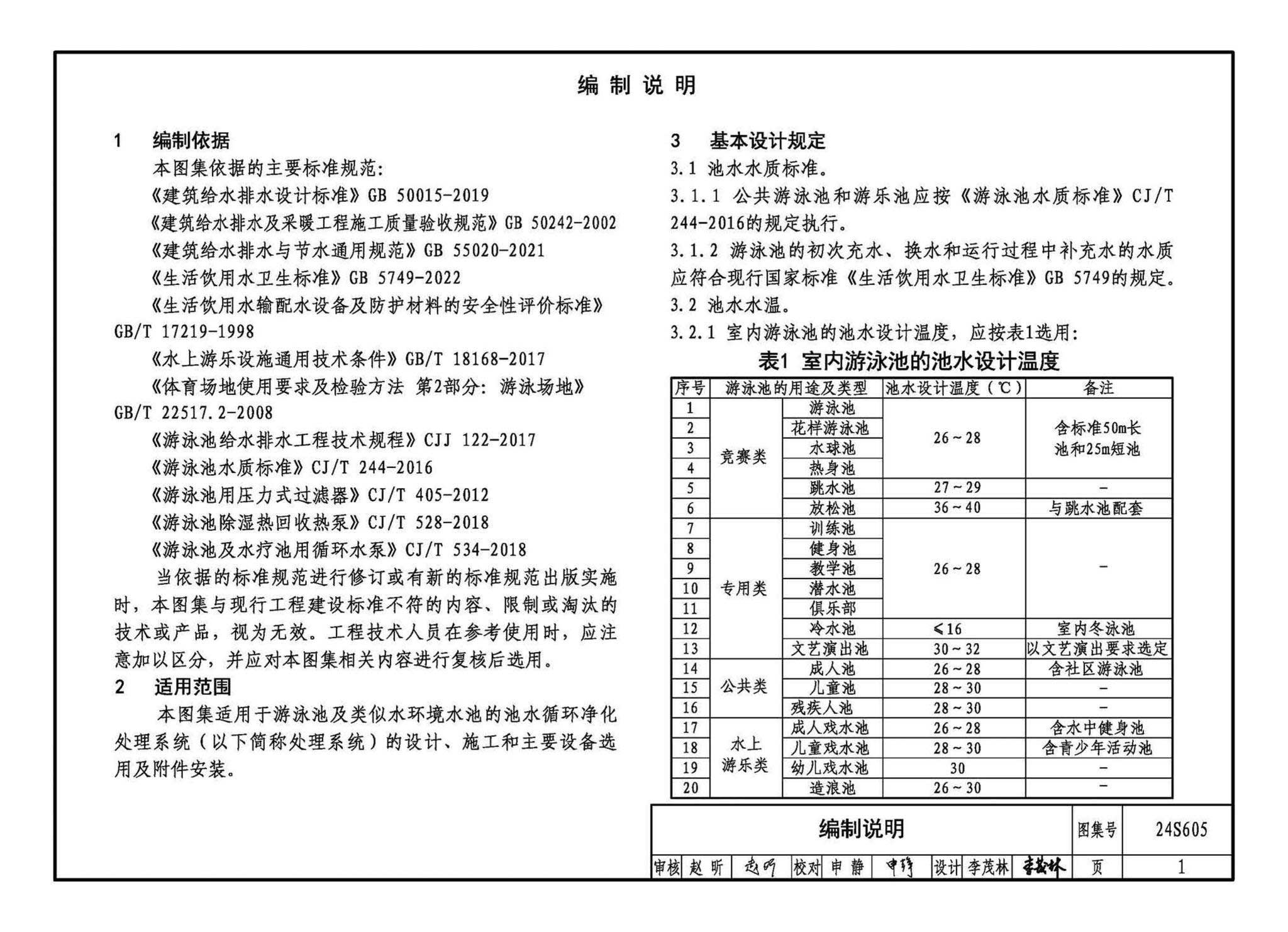
主要内容包括游泳池给水排水设计、设备选用、给水排水附件、专用附件和设计计算示例。
1、给水排水设计指导内容包括游泳池给水排水设计及设备、设施、附件等选用方法,以及游泳池水循环方式及技术特点、水处理工艺流程等。
2、游泳池设备选用包括毛发聚集器、循环水泵、立(卧)式石英砂过滤器、可再生硅藻土过滤器、负压过滤机组、壁挂式过滤器、顶(侧)出多向阀过滤器、聚酯玻璃纤维过滤器、臭氧发生器及配套气水混合投加装置、次氯酸钠发生器、立(卧)式臭氧反应罐、立(卧)式活性炭吸附罐和多功能热泵等。
3、游泳池给水排水附件的选用及安装部分包括池壁给水口、池底给水口、池底回水口、溢水沟组合式格栅盖板、溢流回水沟回水口、池底防吸底排、池壁吸污接口、池体结构做法等。
4、游泳池专用附件的选用及安装部分包括水下灯、出发召回线、仰泳转身标志线、固定锚、泳道线(水线)、扶手、扶梯、出发台、救生椅等。
部分章节及目录如下图所示:











